Análise da Qualidade de Tensão Elétrica em uma Propriedade Leiteira

 

Electrical Voltage Quality Analysis on a Dairy Property

 

 

Juliana dos Santos Costa ¹  orcid.org/0000-0001-6807-6210

Luiz Maurício Lopes de Andrade Júnior ²  orcid.org/0000-0001-8335-7416

 

¹Graduanda em Engenharia Elétrica, Instituto Federal Fluminense, Rio de Janeiro, Brasil,

² Mestrado em Engenharia de Produção, Universidade Cândido Mendes, Rio de Janeiro, Brasil,

 

E-mail do autor principal: Juliana dos Santos Costa julianadossantosc@gmail.com

 

 

Resumo

A pecuária leiteira se mostra como um importante setor da economia brasileira e seu avanço tecnológico, ocorrido nas últimas décadas, proporcionou um aumento da utilização de energia elétrica. Nesse contexto, a eletricidade é utilizada na ordenha, processamento e conservação do leite, higienização do local e até mesmo na irrigação dos pastos. Entretanto, o ambiente rural sofre com a ineficiência na distribuição de energia de qualidade pela rede convencional, onde problemas como descontinuidade e instabilidade são recorrentes, causando redução da produtividade e prejuízos econômicos. Diante disto, este artigo apresenta uma análise da qualidade da tensão elétrica de uma propriedade leiteira, localizada no município de São Francisco do Itabapoana-RJ, na qual realizou-se a análise de tensão em regime permanente, desequilíbrio de tensão e correlação linear entre tensão e corrente elétrica. Com esse estudo foi possível concluir que a propriedade se encontra fora dos limites estabelecidos pela norma vigente, e que a queda de tensão observada é, de fato, provocada por problemas na rede de distribuição local.

Palavras-Chave: Tensão em regime permanente, Desequilíbrio de tensão, Correlação linear

 

Abstract

Dairy farming is an important sector of the Brazilian economy and its technological advancement, which has taken place in recent decades, has increased the use of electricity. In this context, electricity is used for milking, milk processing and its conservation, place hygiene and even pasture irrigation. However, the rural environment is prejudiced by the inefficiency in the distribution of quality energy through the conventional grid, where problems such as discontinuity and instability recur, causing reduced productivity and economic losses. Therefore, this paper presents an analysis of the quality of the electrical voltage of a dairy farm, located in São Francisco do Itabapoana-RJ, in which the steady state voltage analysis, voltage unbalance and linear correlation between voltage and electric current were performed. With this study it was possible to conclude that the property is outside the limits established by the current standard, and that the observed voltage decrease is, in fact, caused by problems in the local distribution network.

Key-words: Steady State Voltage, Voltage Unbalance, Linear Correlation


1 Introdução

O Brasil é o sexto maior produtor de leite do mundo, representando uma importante parcela da economia no país, cerca de 16% do valor bruto da produção pecuária provem desse ramo. O país conta, atualmente, com mais de 1,1 milhões de propriedades com exploração leiteira, gerando emprego para aproximadamente 3,6 milhões de pessoas. A produção leiteira nacional gera mais empregos que setores tradicionalmente importantes como construção civil, automobilístico, siderúrgico e têxtil. Visto que, com o aumento de R$ 1 milhão na demanda final de produtos lácteos são gerados 195 postos de trabalho permanentes [1].

O desenvolvimento e modernização da agropecuária elevou a utilização de insumos, especialmente, os energéticos. A automatização do setor propiciou mudanças no uso final da energia elétrica, tendo esta um comportamento crescente com o passar do tempo. No entanto, a ineficiência na implementação de redes elétricas de qualidade no ambiente rural, se apresenta como um dos problemas para o avanço continuo deste setor [2].

Os problemas relacionados com a qualidade de energia elétrica são constatados primeiramente pelos consumidores, a partir do instante em que estes evidenciam interrupções no fornecimento. Assim, a continuidade e conformidade da eletricidade por parte das concessionárias são fatores que influenciam diretamente na análise da qualidade de energia. Desse modo, para a realização de um estudo minucioso a este respeito, diversos parâmetros podem ser avaliados, tais como, variação de tensão de curta duração, flutuação de tensão, desequilíbrio de sistemas trifásicos, entre outros [3]

A qualidade da energia elétrica, do ponto de vista do consumidor final, pode ser definida como o recebimento da energia com regime de tensão compatível com os critérios definidos pela regulamentação específica vigente, devendo estar em conformidade com os requisitos técnicos essenciais para o funcionamento adequado dos equipamentos, assegurando sua vida útil [4].

Diante disso, este artigo apresenta um estudo de caso da qualidade da tensão de fornecimento de uma propriedade leiteira situada no município de São Francisco do Itabapoana, Rio de Janeiro, tendo como objetivo a análise dos padrões definidos pelo PRODIST- Módulo 8.

 

2 Materiais e Métodos

 

Este estudo foi desenvolvido numa propriedade leiteira, situada no município de São Francisco do Itabapoana, Rio de Janeiro. A propriedade em questão possui uma produção média diária de 250 litros de leite e seu maquinário conta com tanques de resfriamento com capacidade para 1000 litros. Os equipamentos de maior potência encontrados na instalação estão descritos a seguir.

·       Bomba d’água (0,736 kW) – Utilizada para limpeza da sala de ordenha, de equipamentos e máquinas, entre outras;

·       Bomba d’água (3,5 kW) – Utilizado para irrigação dos pastos;

·       Ordenhadeira (1,5 kW) – Utilizada no processo de ordenha dos animais, sendo a bomba de vácuo a principal parte desta máquina.

·       Refriador/Taque de expansão (2,6 kW) –Utilizado para a conservação do leite após a ordenha.

A metodologia utilizada neste trabalho baseou-se nos procedimentos orientados pelo documento elaborado pela Agência Nacional de Energia Elétrica (ANEEL) - Procedimentos de Distribuição de Energia Elétrica no Sistema Elétrico Nacional – PRODIST (Módulo 8).

Além disso, realizou-se também a análise das faturas de energia elétrica dos últimos 12 meses, dezembro de 2017 a novembro de 2018, disponibilizada pela concessionária Ampla Energia e Serviços S.A. Esta análise teve como objetivo traçar o perfil de consumo da propriedade.

Com o propósito de investigar a relação entre tensão e corrente elétrica realizou-se a análise de correlação, na qual os dados coletados foram organizados em gráficos de dispersão e o coeficiente de correlação calculado para mesurar a força da correlação. 

Os dados utilizados neste estudo foram coletados por um analisador de energia (Minipa ET 5061C). O período de coleta ocorreu entre o dia 25 de novembro a 1 de dezembro de 2018, totalizando 1008 leituras válidas obtidas em intervalos consecutivos (período de integralização) de 10 minutos cada.

As grandezas registradas pelo analisador de energia foram: tensão de cada fase, tensão entre as fases, corrente, potência ativa, potência reativa, frequência, fator de potência e distorções harmônicas.

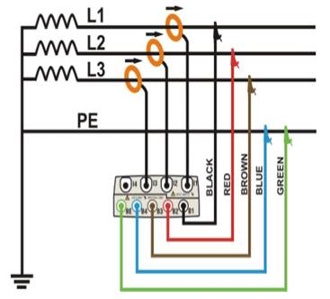
Na Figura 1 é apresentado o esquema de ligação do analisador no quadro geral da propriedade leiteira.

 

 

Figura 1: Conexão do instrumento em sistema trifásico 3 fios. 
Fonte: [5].
 

 

 

 


3 Resultados e Discussão

 

3.1 Dados de Consumo e utilização da energia elétrica

           

Em uma das visitas à propriedade realizou-se a coleta de algumas informações relevantes ao estudo, como por exemplo as faturas de energia elétrica. A propriedade leiteira encontra-se enquadrada no grupo B, classificação agropecuária, com ligação trifásica. A Figura 2 apresenta o perfil de consumo anual de energia elétrica da instalação ao longo de um ano, obtido através da análise das faturas de energia.

 

 

Figura 2: Histograma de consumo anual de energia. 
Fonte: Elaborado pelo autor.
 

 

 

 

 


 A Figura 3 demonstra o gráfico de demanda de um dia típico da propriedade (27/11 – terça-feira), obtido a partir da coleta de dados com o analisador de energia.

 

 

Figura 3: Histograma de demanda de energia diário.
Fonte: Elaborado pelo autor.
 

 

 

 


É possível observar através da Figura 2, que a propriedade em questão possui um consumo anual médio de 765,83 kWh, tendo uma redução considerável no mês de outubro de 2018 (440kWh).  Tal fato pode ser justificado pela inatividade de um equipamento, conforme informado pelo proprietário.

A partir da Figura 3 é possível constatar que há uma maior demanda de energia em dois períodos do dia, de 6h30min às 11h e de 16h30min às 19h. Esses períodos de sobrecarga coincidem com o horário de ordenha das vacas e o horário em que o caseiro chega à sua casa, depois do expediente. Casa essa, conectada ao mesmo ramal alimentador do maquinário da propriedade.

 

 

3.2Tensão em Regime Permanente

 

O parâmetro utilizado para avaliar a qualidade da tensão dos consumidores atendidos em tensão igual ou inferior a 1 kV, deve ser a tensão nominal do sistema, que pode ser classificada de acordo com as faixas de variação da tensão de leitura Quadro 1 [6].

 

Quadro 1: Pontos de conexão em tensão nominal igual ou inferior a 1kV (220/127).

Tensão de Atendimento (TA)

 

Faixa de Variação da Tensão de Leitura (TL) em (Volts)

Adequada

(202<TL<231)/(117<TL<133)

 

Precária

(191<TL<202 ou 231<TL<233)/

(110<TL<117 ou 133<TL<135)

Crítica

(TL<191 ou TL>233)/

(TL<110 ou TL>135

Fonte: ANEEL (2018, p.42).

 

 

 

 

 

 

Com o auxílio do software Excel foi possível obter os gráficos de tensão de cada dia em que o analisador ficou instalado na propriedade. Na Figura 4 (a)(b)(c)(d)(e)(f) (g)(h) é possível observar a variação das tensões de fase e os momentos em que os limites estabelecidos pela ANEEL são desrespeitados.

 

(a)

 

(b)

 

 

 

 

 

 

 

(c)
 


(d)
 

 


(e)  

 

(f)

 

(g)(3)

Figura 4 (a)(b)(c)(d)(e)(f)(g): Gráficos de tensão obtidos através da análise dos dados do analisador de energia.
Fonte: Elaborado pelo autor.
 

 

 

 


Com relação a tensão em regime permanente, deve-se calcular também o índice de duração relativo a transgressão para tensão precária (DRP) e para tensão crítica (DRC). O limite para o indicador DRP é de 3% (três por cento) e para o DRC é de 0,5% (meio por cento). Tais indicadores podem ser calculados utilizando as seguintes expressões:

 

 

 

(1)

 

 

 

(2)

 

Onde:

nlp = o maior valor entre as fases do número de leituras situadas nas faixas precária.

nlc = o maior valor entre as fases do número de leituras situadas nas faixas crítica.

 

Caso os consumidores estejam submetidos a tensões de atendimento que desrespeitem os indicadores DRP ou DRC, a distribuidora de energia deve compensá-los, assim como os titulares das propriedades atendidas pelo mesmo ponto de conexão. Cabe a parte lesada entrar em contato com a distribuidora informando a transgressão e solicitando análise [6]. A fórmula utilizada para o cálculo de compensação deve ser a seguinte.

 

Onde:

k1 = 0, se DRP ≤ DRPlimite;

k1 = 3, se DRP > DRP limite;

k2 = 0, se DRC ≤ DRC limite;

k2 = 7, para consumidores atendidos em Baixa Tensão, DRC > DRC limite;

k2 = 5, para consumidores atendidos em Média Tensão, DRC > DRC limite;

k2 = 3, para consumidores atendidos em Alta Tensão, DRC > DRC limite;

DRP = valor do DRP expresso em %, apurado na última medição;

DRP limite= 3 %;

DRC = valor do DRC expresso em %, apurado na última medição;

DRC limite = 0,5 %; 

EUSD = valor do encargo de uso do sistema de distribuição correspondente ao mês de referência da última medição.

 

Desse modo, analisando os dados obtidos pelo analisador de energia, foi possível verificar o número de leituras consideradas adequadas, precárias e críticas em cada fase, Figura 5 (a)(b)(c). 

 

(a)

(b)

 

(c)

 

Figura 5 (a)(b)(c): Gráficos de análise das medições obtidas pelo analisador de energia.
Fonte: Elaborado pelo autor.
 

 

 

 

 


E assim calcular os indicadores DRP e DRC, que estão dispostos no Quadro 2.

 

Quadro 2: Resultado dos indicadores DRP e DRC. 

 


Medição por faixa

Indicadores

Precário

Crítico

DRP (%)

DRC (%)

687

103

68,1

10,2

Fonte: Elaborado pelo autor.

 

 

Observando o Quadro 2 é possível concluir que os indicadores DRP e DRC estão bem acima dos limites estipulados. Desse modo, utilizando a Equação 3 calculou-se o valor de compensação para a propriedade, chegando a um valor de R$ 506,58 (Quinhentos e seis reais e cinquenta e oito centavos).     

3.3 Desequilíbrio de Tensão

O desequilíbrio de tensão pode ser definido como qualquer diferença observada na amplitude da tensão das fases de um sistema trifásico, e/ou diferença na defasagem elétrica de 120° entre as tensões de fase de um mesmo sistema. Desse modo, os limites para o indicador de desequilíbrio de tensão devem ser de 3% para tensão nominal menor ou igual a 1kV e de 2% para tensão nominal entre 1kV e 230 kV [6].

[4]A expressão para o cálculo de desequilíbrio de tensão é:

 

 

 

(4)

 

           

[6]Sendo:

 

 

 

(5)

 

 

Onde:

Vab, Vbc e Vca = Magnitude das tensões eficazes de linha

           

A partir da análise dos dados coletados pelo analisador de energia e utilizando a Equação 5 obteve-se o gráfico de desequilíbrio de tensão Figura 6.

Figura 6: Gráfico de análise de desequilíbrio de tensão.
Fonte: Elaborado pelo autor.

             

           

 

Através da Figura 6 pode-se concluir que o fator de desequilíbrio de tensão ultrapassa seu valor limite de 3% em determinados instantes do dia, em sua maioria fora do horário de funcionamento do maquinário da propriedade, ou seja, das 19h30min às 22h00min. 

O desequilíbrio de tensão pode ser justificado pela localização da propriedade, que se encontra em ambiente rural, na qual as linhas de distribuição são muito extensas, propiciando esse distúrbio. Ou ainda, motores elétricos com impedâncias desequilibras presentes na propriedade [7].

O desequilíbrio de tensão de uma rede de alimentação elétrica pode causar diversos efeitos prejudiciais as máquinas motrizes de indução, tais como; aumento das perdas; elevação da temperatura, o que causa desgaste do isolamento e redução da vida útil; alteração do tempo de partida; redução do rendimento; aumento de custos com manutenção, entre outros [8].

 

 

3.4 Análise de Correlação entre Corrente e Tensão Elétrica   

 

Correlação é a relação existente entre duas variáveis, onde os dados podem ser representados por pares ordenados (x,y), sendo x a variável independente e y a variável dependente. Essa correlação pode ser medida por meio do coeficiente (r), que varia no intervalo de -1 ≤ r ≤ 1, ou seja, no sentido positivo, quando se aproxima de 1, ou negativo, se aproximando de -1 [9-10]. Outro recurso para análise da correlação é o gráfico de dispersão, sendo possível verificar a intensidade da correlação de acordo com a proximidade dos pontos em relação a uma reta [11].

Sendo assim, este trabalho investigou o grau de correlação entre corrente solicitada pelos equipamentos presentes na planta de produção e conservação de leite, e a tensão de fornecimento. As Figuras 7, 8 e 9 apresentam os diagramas de dispersão e os seus respectivos coeficientes, considerando todas as faixas de tensão adequada, precária e crítica, medidas nas fases 1, 2 e 3.

 

Figura 7: Gráfico de dispersão da fase 1.
Fonte: Elaborado pelo autor.
r= 0,064

 

 

 

Figura 8: Gráfico de dispersão da fase 2.
Fonte: Elaborado pelo autor.
r= -0,029

 

 

 

r= -0,117Figura 9: Gráfico de dispersão da fase 3.
Fonte: Elaborado pelo autor.

 

 

 

É possível observar que os coeficientes de correlação de todas as fases apresentam valores próximos a 0, demonstrando, portanto, que há uma relação mínima entre a tensão e corrente elétrica.

Diante disto, realizou-se a mesma análise considerando somente as faixas de tensão precária e crítica, a fim de eliminar possíveis interferência da faixa adequada nos resultados. As Figuras 10, 11 e 12 apresentam esta análise.

 

r= 0,129Figura 10: Gráfico de dispersão da fase 1.
Fonte: Elaborado pelo autor.

 

 

r= 0,296Figura 11: Gráfico de dispersão da fase 2.
Fonte: Elaborado pelo autor.

 

 

r= 0,400

Figura 12: Gráfico de dispersão da fase 3.
Fonte: Elaborado pelo autor.
 


 

 

 

Observando as Figuras 10, 11 e 12 é possível constatar uma elevação dos coeficientes de correlação. No entanto, continuam próximos de 0, não sendo possível justificar a queda de tensão, verificada na propriedade, por meio da sobrecarga do sistema (alta corrente elétrica).

 

4. Conclusão

           

O presente estudo baseou-se na avaliação da qualidade de energia elétrica por uma propriedade leiteira do município de São Francisco do Itabapoana, tendo como base os padrões definidos pelo PRODIST- Módulo 8.

A partir da análise das faturas de energia elétrica e dos dados coletados pelo analisador de energia, traçou-se o perfil de consumo e de demanda de energia da propriedade. O consumo médio anual apresentado no ano de 2018 foi de 765,83 kWh e a demanda de um dia típico apresenta dois períodos de maior incidência, ou seja, de 6h30min às 11h e de 16h30min às 19h.

Com base nos resultados obtidos é possível concluir que a propriedade se encontra fora dos padrões estipulados pela ANEEL, no que se refere a tensão em regime permanente e desequilíbrio de tensão. 

Com relação a tensão em regime permanente conclui-se que os indicadores DRP e DRC se encontram 68,1% e 10,2% acima do limite apresentado pelo PRODIST, respectivamente. Desse modo, possibilitando que a propriedade receba um valor de R$ 506,58 (Quinhentos e seis reais e cinquenta e oito centavos) da concessionária, devido a transgressão desses limites. A respeito do desequilíbrio de tensão constatou-se que há uma regularidade na qual seu valor limite é ultrapassado, ocorrendo todos os dias das 19h30min às 22h00min, ou seja, fora do horário de funcionamento da propriedade. 

A partir da análise de correlação foi possível observar que há uma relação mínima entre a tensão e corrente elétrica, não sendo possível justificar a incidência de muitas medições de tensão nas faixas precárias e críticas com o aumento da corrente elétrica.

 

Referências

 

[1] EMPRESA BRASILEIRA PESQUISA AGROPECUÁRIA (EMBRAPA). Gado de leite: Importância econômica. Disponível em: < https://sistemasdeproducao.cnptia.embrapa.br/FontesHTML/Leite/LeiteCerrado/importancia.html>. Acesso em: 18 jan. 2019.

[2] ANDRADE JUNIOR, L. M. L. Seleção de alternativas tecnológicas para geração de eletricidade na pecuária leiteira: Um enfoque multicriterial. 2017. 108 f. Dissertação (Mestrado) - Universidade Cândido Mendes, Campos dos Goytacazes, 2017.

[3] BONEBERG, B. S. et al. Qualidade de energia: estudo de caso de uma indústria metalmecânica no sul do Brasil. Revista Eletrônica Científica da Uergs, [s.l.], v. 3, n. 2, p. 315-339, 25 ago. 2017. DOI: http://dx.doi.org/10.21674/24480479.32.315-339.

[4] VACCARO, G. L. R.; MARTINS, J. C.; MENEZES, T. M. Análise estatística da qualidade de níveis de tensão em sistemas de distribuição de energia elétrica. Produção, São Leopoldo, v. 21, n. 3, p.539-552, set. 2011.

[5] MINIPA – Minipa do Brasil LTDA. ET-5051C/ET5061C. São Paulo: Minipa, [2019].

[6] AGÊNCIA NACIONAL DE ENERGIA ELÉTRICA (Brasil). PRODIST – Módulo 8: Qualidade da Energia Elétrica. Procedimentos de Distribuição de Energia Elétrica no Sistema Elétrico Nacional.  Brasília, DF, 2018. 88 p. Disponível em: <http://www.aneel.gov.br/MODULO8>. Acesso em: 10 dez. 2018.

[7] ALMEIDA, M. L. S. Avaliação da temperatura do motor de indução trifásico submetido à desequilíbrios de tensão. 2013. 109 f. Dissertação (Mestrado) - Universidade de Brasília, Brasília, 2013.

[8] NEVES, A. B. F. Análise dos efeitos do desequilíbrio e da distorção harmônica de tensão no conjugado e no rendimento de um motor de indução trifásico. 2014. 153 f. Dissertação (Mestrado) - Universidade de Brasília, Brasília, 2014.

[9] LARSON, R.; F., B. Estatística Aplicada. 4. ed. São Paulo: Pearson Prentice Hall, 2010. 527 p.

[10] TOEBE, M. et al. Dimensionamento amostral para estimação de coeficientes de correlação em híbridos de milho, safras e níveis de precisão. Bragantia, Campinas, v. 1, n. 74, p.16-24, mar. 2015.

[11] RODRIGUES, S. C. A. Modelo de regressão linear e suas aplicações. 2012. 78 f. Dissertação (Mestrado) - Universidade da Beira Interior, Covilhã, 2012.